logo

Detalhes dos produtos

Created with Pixso. Para casa Created with Pixso. produtos Created with Pixso.
Dispositivos de proteção da baixa tensão
Created with Pixso.

Phoenix MACX MCR-T-UI-UP 2811394 temperature measurement module has high accuracy

Phoenix MACX MCR-T-UI-UP 2811394 temperature measurement module has high accuracy

Nome da marca: Phoenix
Número do modelo: 2811394
MOQ: 1
preço: Negotiations
Informações pormenorizadas
Lugar de origem:
Alemanha
Tensão de comutação máxima:
30 V CA/CC
Máximo Interruptor Atual:
1 A (30 V CC)
Máx. sinal de saída atual:
22 miliampères
Saída de tensão de carga de carga/saída:
≥ 10 kΩ
Detalhes da embalagem:
Nova caixa original
Destacar:

Phoenix temperature measurement module

,

high accuracy temperature module

,

low voltage protection temperature sensor

Descrição do produto
Phoenix MACX MCR-T-UI-UP 2811394 temperature measurement module has high accuracy
Phoenix MACX MCR-T-UI-UP 2811394 temperature measurement module has high accuracy 0
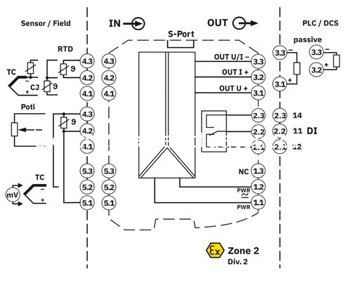
The Phoenix MACX MCR-T-UI-UP (Part No. 2811394) is a high-performance temperature measurement module that stands out for its exceptional accuracy, making it ideal for precision-critical industrial applications. Engineered to deliver reliable temperature detection and signal processing, this module seamlessly integrates with various temperature sensors to convert raw data into stable, industry-standard outputs, ensuring consistent and precise readings even in demanding operating environments. Its compact design and robust build enable easy integration into existing industrial control systems, catering to the needs of process control, manufacturing, and machinery monitoring where accurate temperature measurement is vital for operational efficiency and safety.