logo

Detalhes dos produtos

Created with Pixso. Para casa Created with Pixso. produtos Created with Pixso.
Dispositivos de proteção da baixa tensão
Created with Pixso.

Controladores PLC Ethernet IC693CMM321, Módulo Ethernet de E/S da Série 90-30, 4 Canais

Controladores PLC Ethernet IC693CMM321, Módulo Ethernet de E/S da Série 90-30, 4 Canais

Nome da marca: GE
Número do modelo: IC693CMM321
MOQ: 1
preço: Negociável
Condições de pagamento: L/C, D/A, D/P, T/T, Western Union, MoneyGram
Capacidade de abastecimento: In Stock
Informações pormenorizadas
Place of Origin:
USA
Certificação:
CE
Packaging Details:
New Original Box
Supply Ability:
In Stock
Destacar:

Módulo Ethernet 90-30 de 4 canais

,

Módulo Ethernet Série 90-30

,

Módulo Ethernet IC693CMM321

Descrição do produto
Descrição detalhada do produto
Marca: GE Modelo: IC693CMM321
Local de origem: Estados Unidos Nome do produto: Módulo de Interface Ethernet
Série: 90 a 30 Peso: 1 LBS
Corrente de tensão: 10% Resposta do filtro de entrada: 29 Hz
Destaque:

Controlador programável industrial

,

Controladores PLC Ethernet

 

 

Modulo de Interface Ethernet da Série FANUC 90-30

 

 

 

 

The Analog Current/Voltage Combination Input/Output module provides up to 4 differential input current or voltage channels and 2 single-ended output channels with either current loop outputs or voltage outputsCada canal pode ser configurado individualmente para a faixa de corrente ou tensão, conforme aplicável, necessária para a sua aplicação.com exceção de um saltador necessário para selecionar o modo de entrada correnteTodas as faixas podem ser configuradas utilizando a função de configurador de software de programação Logicmaster 90-30/20/Micro ou o Programador de mão da série 90-30.

 

Observe que, na descrição deste módulo, o módulo será simplesmente referido como o módulo analógico combinado.

 

Cada entrada analógica é capaz de fornecer cinco faixas de entrada (duas tensões e três correntes), que são:

  • 0 a +10 volts (unipolar) - faixa predeterminada para os canais de entrada e saída.
  • ¥10 a +10 volts (bipolar)
  • 0 a 20 mA 4 a 20 mA
  • 4 a 20 mA Aumentado

 

O intervalo de entrada por defeito é o modo de tensão de 0 a +10 volts (unipolar), com os dados do utilizador dimensionados de modo a que 0V corresponda a uma contagem de 0 e 10V corresponde a uma contagem de 32767.

 

Cada saída analógica é capaz de fornecer quatro faixas de saída (duas tensões e duas correntes):

  • 0 a +10 volts (unipolar) - faixa predeterminada para os canais de entrada e saída.
  • ¥10 a +10 volts (bipolar)
  • 0 a 20 miliampéries
  • De 4 a 20 milliampéries

 

 

 

Detalhes rápidos

  1. Marca:GE
  2. Modelo:IC693CMM321
  3. Local de origem: EUA

 

Descrição

As saídas podem ser configuradas para manter o último estado ou para redefinir para a extremidade inferior do seu intervalo se a energia do sistema for interrompida.As saídas também podem ser configuradas para operar no modo de rampa sob comando do programa de aplicaçãoNo modo rampa, o canal de saída passa para um novo valor ao longo de um período de tempo, em vez de tomar o novo valor imediatamente.Os limites de alarme alto e baixo podem ser definidos para todos os canais de entrada e uma falha de fio aberto (modos de saída de corrente) pode ser relatada à CPU para cada canal de saídaOs módulos ALG442 nos racks RX3i suportam atualizações de firmware no campo.

 

 

Especificações

Número de canais de entrada:4 diferencial
Intervalos de entrada:0 a 20 mA / 4 a 20 mA / 4 a 20 mA Reforçado
Resolução de 0 a +10V:2.5 mV (1 LSB = 2,5 mV)
Resolução -10 a +10V:1 LSB = 5 mV
Resposta do filtro de entrada:29 Hz
Consumo de corrente da alimentação interna + 5 V:95 mA
Consumo corrente proveniente do abastecimento externo dos utilizadores:129 mA
Tipo de dispositivo:Input/Output Análogo, corrente/voltagem
Intervalo de tensão de alimentação externa:20 a 30 VDC (24 VDC típicos)
Corrente de tensão:10%
Consumo de energia:95 mA de alimentação interna +5 VDC,150 mA de alimentação externa +24 VDC
Taxa de actualização: Taxa de actualização:3 ms
Isolamento, campo para plano de fundo e para o quadro do solo:250 VAC contínuo; 1500 VAC durante 1 minuto
Saídas analógicas:Dois, solteiro? Acabou.
Intervalos de saída:0 a 20 mA, 4 a 20 mA
Capacidade de carga de saída:2000 pF (máximo)
Indutância de carga de saída:1 H (máximo)

 

 

The Analog Current/Voltage Combination Input/Output module provides up to 4 differential input current or voltage channels and 2 single-ended output channels with either current loop outputs or voltage outputsCada canal pode ser configurado individualmente para a faixa de corrente ou tensão, conforme aplicável, necessária para a sua aplicação.com exceção de um saltador necessário para selecionar o modo de entrada correnteTodas as faixas podem ser configuradas utilizando a função de configurador de software de programação Logicmaster 90-30/20/Micro ou o Programador de mão da série 90-30.

 

Observe que, na descrição deste módulo, o módulo será simplesmente referido como o módulo analógico combinado.

 

Cada entrada analógica é capaz de fornecer cinco faixas de entrada (duas tensões e três correntes), que são:

  • 0 a +10 volts (unipolar) - faixa predeterminada para os canais de entrada e saída.
  • ¥10 a +10 volts (bipolar)
  • 0 a 20 mA 4 a 20 mA
  • 4 a 20 mA Aumentado

 

O intervalo de entrada por defeito é o modo de tensão de 0 a +10 volts (unipolar), com os dados do utilizador dimensionados de modo a que 0V corresponda a uma contagem de 0 e 10V corresponde a uma contagem de 32767.

 

Cada saída analógica é capaz de fornecer quatro faixas de saída (duas tensões e duas correntes):

  • 0 a +10 volts (unipolar) - faixa predeterminada para os canais de entrada e saída.
  • ¥10 a +10 volts (bipolar)
  • 0 a 20 miliampéries
  • 4 a 20 miliampéries
 
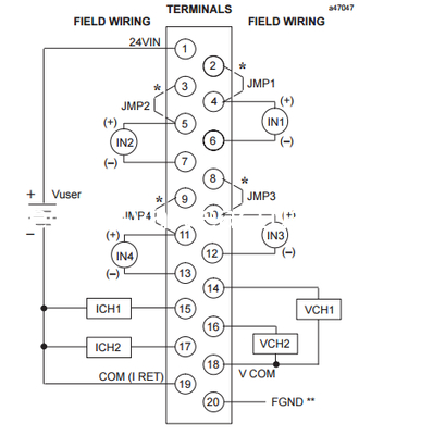
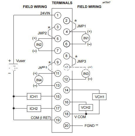
IC693ALG442 Diagrama de fiação do módulo de campo combo analógico
 
Controladores PLC Ethernet IC693CMM321, Módulo Ethernet de E/S da Série 90-30, 4 Canais 0
 
Produtos semelhantes
IC693CMM321A IC693CMM321B IC693CMM321C
IC693CMM321D IC693CMM321E IC693CMM321F
IC693CMM321G IC693CMM321H IC693CMM321J
IC693CMM321J IC693CMM321K IC693CMM321L
IC693CMM321M IC693CMM321N IC693CMM321O
IC693CMM321P IC693CMM321Q IC693CMM321R
IC693CMM321S IC693CMM321T IC693CMM321U
IC693CMM321V IC693CMM321W IC693CMM321X
IC693CMM321Y IC693CMM321Z

 

 

Controladores PLC Ethernet IC693CMM321, Módulo Ethernet de E/S da Série 90-30, 4 Canais 1

 


Outros produtos superiores

Motor Yasakawa, motorista SG- Mitsubishi Motor HC-, HA-
Módulos Westinghouse 1C, 5X- Emerson VE, KJ-
Honeywell TC, TK... Motor de ventoinha A0-
Transmissor Rosemount 3051- Transmissor Yokogawa EJA-