logo

Detalhes dos produtos

Created with Pixso. Para casa Created with Pixso. produtos Created with Pixso.
Dispositivos de proteção da baixa tensão
Created with Pixso.

Casas de latão resistente painel de toque HMI Armadura de serra 1250W 11-12110-00

Casas de latão resistente painel de toque HMI Armadura de serra 1250W 11-12110-00

Nome da marca: Emerson
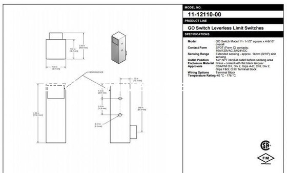
Número do modelo: 11-12110-00
MOQ: 1
preço: Negociável
Condições de pagamento: L/C, D/A, D/P, T/T, Western Union, MoneyGram
Capacidade de abastecimento: Em Estoque
Informações pormenorizadas
Lugar de origem:
América
Certificação:
CE
Detalhes da embalagem:
Nova caixa original
Habilidade da fonte:
Em Estoque
Descrição do produto
Descrição detalhada do produto
Marca: Emerson. Modelo: 11-12110-00
Origem: 11-12110-00 AC: 120/240/480/600VAC
W: 1250 W Embalagem: Cartão
Destaque:

Ecrã de toque do ecrã hmi

,

painéis HMI industriais

 

 

HMI Touch Screen Emerson GO SWITCH 11-12110-00 1250W 120/240/480/600VAC 1/2 polegada NPT

 

O GO Switch Model 11 possui gabinetes robustos e aprovações globais.Todos os interruptores incluem parafusos de montagem de cabeça redonda com lavadora de bloqueio e porcaO interruptor de limite original sem alavanca, o GO Switch Model 11 possui contatos selados com flashes dourados, sensores sem toque e resposta de ação rápida em um design de interruptor quadrado: 38 mm quadrado x 116 mm de altura.Como com todos os interruptores GO, pode ser ligado A/C ou D/C, N/O ou N/C, não consome energia para operar e não tem vazamento de corrente ou queda de tensão.

Disponível em uma caixa de latão resistente ou aço inoxidável, o GO Switch Model 11 resiste a abuso físico, umidade e corrosivos.Oferece contactos SPDT 10amp que são adequados para alta ou baixa corrente, bem como sensores laterais padrão de 10 mm, sensores estendidos até 14 mm ou sensores de precisão de 6 mm. Adequado para aplicações à prova de explosão na Zona 0, 1 ou 2 (Div 1 e 2),Pode suportar temperaturas de até 176°C., e é submersível até 132 metros.

O modelo 11 de design simples, caixa robusta, longo alcance de detecção, flexibilidade de fiação e aprovações globais tornam-no uma escolha ideal onde quer que seja necessária uma detecção de posição confiável.

Benefícios:

  • Uma caixa de latão ou aço inoxidável resistente resiste a abusos físicos, umidade, explosivos e ambientes corrosivos.
  • A armadura de balanço fornece ação rápida e pressão de contato sólida, eliminando o "contato de contato" e o "contacto de contato" em aplicações de alta vibração
  • Contatos SPDT de carga pesada de 10 amperios/120 VAC, 3 amperios/24 VDC, .5amp/125VDC
  • Temperatura padrão -40°C a 105°C, opção de temperatura elevada a 176°C
  • Adequado para aplicações à prova de explosão nas zonas 0, 1 ou 2 (divisões 1 e 2)
  • O único interruptor de proximidade à prova de explosão do mundo, com 10 amperes.

 

 

Sensores magnéticos: Tipo de sensor - Sensor magnético indutivo; Aplicação - Sensor de metais ferrosos; Estilo de montagem do invólucro - Bloco; Posição de detecção - Lado; fios - 3W; Modo de saída - SPDT;Material - Habitação - Latão, Laca preta; Tipo de conexão - saída do conduto; Tamanho da conexão - 1/2" NPT; Classificação do recinto - Classe 1, Div. 2; Temperatura de funcionamento - -40 a 177 graus C -40 a 350 graus F;Informações adicionais - Sensores de distância: 14 mm. Com ímã de alvo: 95 mm não incluído; Série do fabricante - GO Switch Série 10

 

Informações adicionais: Distância de detecção: 14 mm. Com ímã alvo: 95 mm (não incluído)

 

Casas de latão resistente painel de toque HMI Armadura de serra 1250W 11-12110-00 0

 

Especificações:

Tipo de sensor: Sensor magnético
Aplicação: Detecção de metais ferrosos
Estilo de montagem da caixa: Bloqueio
Posição de detecção: Lado
Cabos: 3W
Modo de saída: SPDT
Material - Habitação: Latão, laca preta
Tipo de ligação: Saída do condutor
Tamanho da ligação: 1/2 polegada.
Classificação do compartimento: Classe 1, Div. 2
Temperatura de funcionamento: -40 a 177 graus C (-40 a 350 graus F)

 

 

Modelos similares:

81-20546-A2 A partir de 1 de janeiro de 2015
7E-33658-DCA 7G-13529-B3
73-1352T-A2 73-13523-A2
73-13524-A2 11-11524-A2